يتميز جهاز الحفر الهيدروليكي من طراز HT70-B بأنه من المعدات المتقدمة للحفر في الثقوب المتوسطة والعميقة، مصمم خصيصاً للأنفاق تحت الأرض ذات المقاطع الصغيرة. كما يتميز هذا الجهاز بالقدرة على حفر ثقوب رأسية أو مائلة متوازية، إضافة إلى ثقوب تفجير بكفاءة عالية.
كما أنه مزود بـ ذراعي دعم ثنائي ثابتين، ومؤشر زاوية عالي الدقة، ووحدة تحكم عن بُعد مريحة وذكية، ليضمن عمليات حفر آمنة، دقيقة، وموثوقة. فعند دمجه مع مطرقة هيدروليكية، يحقق الجهاز أداءً ممتازاً في الحفر حتى في أصعب الظروف تحت الأرض.
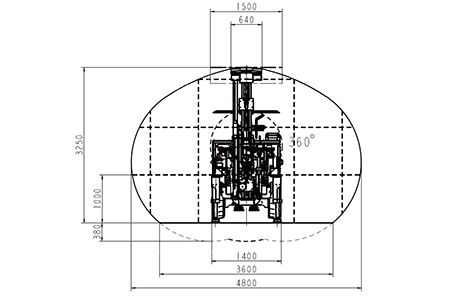
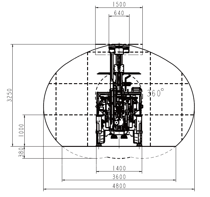
كما يُحقق ذراع الحفر عالي الثبات تحديد مواقع دقيق ودقة حفر استثنائية، مما يقلل من تلوث الخام ويعزز جودة الإنتاج، ليكون الخيار الأمثل للمشاريع التعدينية والأنفاق الضيقة.
| جهاز الحفر الهيدروليكي/ جامبو الحفر | المقطع العرضي المناسب (الأبعاد الملائمة) | 2800×2800 - 4000×4000mm |
| الأبعاد (الطول (العرض × الارتفاع) | 4150×1400×2200mm | |
| الخلوص الأرضي | 280mm | |
| HT70B(CYTC70B) | الحد الأدنى لنصف قطر الدوران | الداخلي 2100 مم/ الخارجي 3500 مم |
| القدرة على تسلق المنحدرات | 14° | |
| الوزن الكلي | 5500kg | |
| مثقاب هيدروليكي RC2200 | قدرة الطرق الصادمة | 21kW |
| تردد الطرق | 55Hz | |
| الضغط التشغيلي | 200 بار | |
| نظام الدوران | دوران مستقل | |
| سرعة الدوران | 0 إلى 285 دورة/ دقيقة | |
| أقصى عزم دوران | 720N.m | |
| نظام التغذية | مدى حركة التغذية | 2550 / 2770 / 3000mm |
| سنون قضيب الحفر | T38 / T45 | |
| طول قضيب الحفر | 800 / 915 / 1220mm | |
| وزن التغذية | 800/950/1050kg | |
| قوة نظام التغذية | 13 كيلو نيوتن | |
| سعة تخزين قضبان الحفر | 14+1 (T38) / 12+1 (T45) | |
| نظام كهربائي RC2200 | القدرة الكلية | 87.5KW |
| قدرة المحرك الكهربائية الرئيسي | 75kW | |
| الجهد الكهربائي | 380V (اختياري) | |
| كمبروسر هواء (ضاغط هواء) | الطراز | GCU11 |
| إزاحة الهواء (8 بار) | 1 متر مكعب/ دقيقة | |
| الجهد الكهربائي | 380V (اختياري) | |
| ذراع الحفر | شوط التعويض/ طول حركة التغذية التعويضية | 900mm |
| زاوية دوران نظام التغذية | 180° | |
| زاوية الميل | الاتجاه الأمامي: -30°، الاتجاه الخلفي: +65° | |
| وزن الذراع | 750kg | |
| نطاق الحفر المتوازي | 1500mm | |
| النظام الهيدروليكي | سعة خزان الزيت | 120 لتر |
| دقة الفلترة (الترشيح) | 10 ميكرون | |
| الحساس | حساس الضغط التفاضلي لمرشح الزيت الهيدروليكي | |
| المضخة | مضخة زيت يدوية | |
| الهيكل | تأرجح المحور الخلفي | 7° |
| الإطارات (العجلات) | الأمامي: 8.25-10 | |
| الخلفي: 6.5-10 | ||
| الدفع | دفع العجلات الأمامية | |
| التوجيه | توجيه العجلات الخلفية | |
| المكابح | فرامل الخدمة / فرامل الانتظار |
تُعتبر Huatai الشركة الصينية الرائدة والمتخصصة في تصميم وإنتاج معدات حفر الصخور والحفارات الهيدروليكية لأعمال التعدين وحفر الأنفاق والآبار وغيرها.، حيث التزمت الشركة منذ تأسيسها في العام 2000 بتصنيع أحدث الآلات وتوفير أعلى مستويات خدمة العملاء لعدد من الشركات العاملة في قطاعات التعدين والمعادن وهندسة الأساسات.
كما تجدر الإشارة إلى أن الشركة حققت نجاحاً باهراً ومستمرًا في سد العديد من الثغرات في السوق المحلية خلال 20 عامًا من الابتكار والتطوير المستمر في قطاع أعمال التعدين تحت الأرض وحفر الصخور والأنفاق والآبار. وحالياً، يوجد في مصنع الشركة خطوط إنتاج متطورة لإنتاج أكثر من 30 نوعًا من آلات الحفر التي تنقسم إلى ثلاث فئات، مثل معدات التعدين تحت الأرض ومعدات تعدين الفحم ومعدات الحفر العمودية لحفر الآبار وغيرها. إلى جانب ذلك، ونتيجة لسنوات من النمو والتحسين المستمر، فقد حققت الشركة إنجازًا محترمًا في صناعة الحفارات وضاعفت أنظمة السلامة والكفاءة والفعالية من حيث التكلفة لهندسة المناجم تحت الأرض وعمليات إنشاء الأنفاق.
تُعتبر هذه الحفارة من معدات الحفر المتخصصة وعالية الأداء والتي تم تطويرها لتلبية متطلبات الحفر العمودي العميق للصخور الصلبة، حيث تعمل بمحرك قوي بقدرة 132 كيلو وات ومزودة بثلاث آلات حفر هيدروليكية للخدمة الشاقة، مما يمكنها من التعامل مع أقطار الحفر من 4 إلى 6 أمتار. كما أن هيكلها خفيف الوزن (يزن أقل من 7 أطنان) مما يلغي الحاجة إلى معدات رفع كبيرة الحجم، وبالتالي توفر التكلفة ويلبي احتياجات الحفر الخاصة.
اقرأ المزيد +
يتميز حفار العمود الرأسي الهيدروليكي YSJZ بأنه نوع من آلات حفر الصخور المصممة خصيصًا لتشييد العمود الرأسي في مناجم خام الحديد والمعادن غير الحديدية، كما يعتبر حفار العمود الرأسي بديلاً رائعًا لاستخدامه في مشاريع التعدين والتشييد تحت الأرض حيث لا يمكن اعتماد طرق حفر أخرى بسبب حدودها الفنية أو الاقتصادية. وإلى جانب ذلك، يتم تشغيل عمليات معدات الحفر الهيدروليكية بواسطة محركين بقدرة 90 كيلو وات، بما في ذلك الدوران والحفر والتغذية.
اقرأ المزيد +
حفار عمود رأسي هوائي (عمود حفر بالهواء المضغوط)، سلسلة SJZ هو من المعدات الخاصة لحفر ثقوب للانفجارات في المحاجر أو مناجم التعدين لاستخراج كمية أكبر من المعادن، حيث إنه يناسب نطاقًا واسعًا من أقطار العمود وميزات التشغيل المرن وتحديد المواقع بدقة وأمان موثوق. كما يتم تشغيله عن طريق الهواء المضغوط وينتقل عن طريق النظام الهيدروليكي وجميع حركات تثبيت المثقاب مدفوعة بالآلة، كما يتم تحديث الكفاءة المجهزة لحفر الثقوب بشكل طبيعي وبالتالي يتم توفير وقت العمل الإضافي بشكل كبير.
اقرأ المزيد +
مصمم خصيصاً لتكوينات الصخور متوسطة الصلابة، يقدم مثقاب RC600 الهيدروليكي أداء حفر قوي ودقيق عبر مجموعة واسعة من التطبيقات الصعبة. يتميز بتصميم متين وقدرات متعددة تجعله الخيار الأمثل لأعمال الحفر الداعمة في التعدين تحت الأرض، وتركيب مسامير التثبيت، وبناء الطرق السريعة، وهندسة الجسور، والمشاريع العمرانية المعقدة.
اقرأ المزيد +